Min Ball Bearing
BackDetailed Information
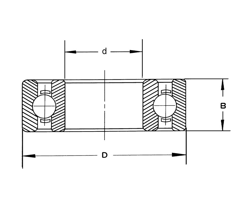
| Bearing No. |
Inside diameter(mm) |
Outside diameter(mm) |
Width B(mm) | |
| d | D | Open | shielded&sealed | |
| 692 | 2 | 6 | 2.5 | 3 |
| 673( L630) | 3 | 6 | 2 | 2.5 |
| 683 (L730) | 3 | 7 | 2 | 3 |
| 693 | 3 | 8 | 3 | 4 |
| 603 | 3 | 9 | 3 | 5 |
| 623 | 3 | 10 | 4 | 4 |
| 674( L740) | 4 | 7 | 2 | 2.5 |
| 684 (L940) | 4 | 9 | 2.5 | 4 |
| 694 | 4 | 11 | 4 | 4 |
| 604 | 4 | 12 | 4 | 4 |
| 624 | 4 | 13 | 5 | 5 |
| 634 | 4 | 16 | 5 | 5 |
| 675( L850) | 5 | 8 | 2 | 2.5 |
| 685 (L1150) | 5 | 11 | 3 | 5 |
| 695 | 5 | 13 | 4 | 4 |
| 605 | 5 | 14 | 5 | 5 |
| 625 | 5 | 16 | 5 | 5 |
| 635 | 5 | 19 | 6 | 6 |
| 676( L1060) | 6 | 10 | 2.5 | 3 |
| 686 | 6 | 13 | 3.5 | 5 |
| 696 | 6 | 15 | 5 | 5 |
| 606 | 6 | 17 | 6 | 6 |
| 626 | 6 | 19 | 6 | 6 |
| 677(l1170) | 7 | 11 | 2.5 | 3 |
| 687( L1470) | 7 | 14 | 3.5 | 5 |
| 697 | 7 | 17 | 5 | 5 |
| 607 | 7 | 19 | 6 | 6 |
| 627 | 7 | 22 | 7 | 7 |
| 608 | 8 | 22 | 7 | 7 |
| 628 | 8 | 24 | 8 | 8 |
| 629 | 9 | 26 | 8 | 8 |
